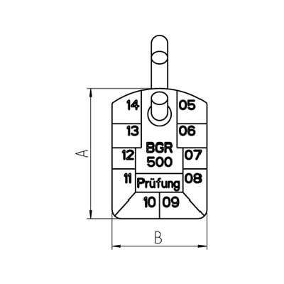
Identification tag

Test data-tag for the permanent marking of the examination intervals according to BGR 500/DGUV Regel 100-500

Product Variants (1)